Avaleht>...>Õhukulumõõtja>BOSCH 0280218087 Õhumassimõõtja
BOSCH 0280218087 Õhumassimõõtja






KaubamärkBOSCH
Varuosa kood0280218087
Varuosa tüüpJärelturg
Soovitatav remondimahtu suurendamineÕhufilter
Temperatuurivahemik alates (°C)−40 °C
Temperatuurivahemik kuni120 °C
Laost otsas
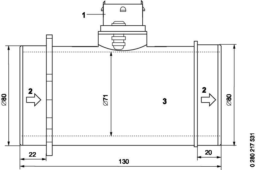
Kirjeldus
BOSCH 0280218087 järelturg on autovaruosa, mis on mõeldud sobima valitud sõidukitele vastavalt tootja tehnilistele andmetele. Enne ostmist soovitame kontrollida sobivust oma sõiduki andmete või OEM-koodide järgi. PartStall pakub laia valikut autovaruosi konkurentsivõimeliste hindade ja kiire tarnega.Kaubamärk
BOSCH
Varuosa kood
0280218087
Varuosa tüüp
järelturg
soovitatav remondimahtu suurendamine
Õhufilter
Temperatuurivahemik alates (°C)
−40 °C
Temperatuurivahemik kuni
120 °C